О, нет! Где JavaScript?
Ваш браузер не поддерживает JavaScript или же JavaScript отключен в настройках. Пожалуйста, включите JavaScript в браузере для корректного отображения сайта или обновите свой браузер на поддерживающий JavaScript. Включите JavaScript в своем веб-браузере, чтобы правильно просматривать этот веб-сайт или обновить веб-браузер, поддерживающий JavaScript.

Предлагаем к использованию на производстве

Последнее обновление в 2 месяца назад
Admin-uzzerAdmin-uzzerСуперадмин
Опубликовано 4 месяца назад
Установка для заливки битумом трещин твердых покрытий - 23165

uzzer.ru/25/13-12-2025-rtduyrd-1eee-k1.jpg


Известны подобные установки, содержащие размещенную на шасси прицепа емкость с теплоизоляцией, систему обогрева в виде пламенной горелки и газопроводящих каналов, связанный с гидросистемой транспортного средства гидродвигатель с битумным насосом, битумный шланг с распределительной насадкой, компрессор с ресивером и воздухопроводами.

Новая полезная модель отличается тем, что компрессор установлен на валу отбора мощности транспортного средства и соединен воздухопроводом с ресивером на прицепе с битумной емкостью.

Второй вариант устройства предусматривает размещение ресивера компрессора внутри битумной емкости.

Б.Г. Масалитин и др.
ОАО «Кемеровский опытный ремонтно-механический завод» - ОАО «КОРМЗ», отдел главного конструктора.
Admin-uzzerAdmin-uzzerСуперадмин
Опубликовано 4 месяца назад
Мобильный комплекс для интенсификации скважин и вертикального сейсмического профилирования - 23178

uzzer.ru/25/13-12-2025-rtduyrd-1eee-k2.jpg


Патентуется новое устройство для воздействия на грунт упругих колебаний. Предлагаемый мобильный комплекс содержит установленный на малогабаритном транспортном средстве модуль воздействия упругими колебаниями на прискважинную зону. Модуль включает в себя скважинный малогабаритный пневмоисточник упругих волн, размещаемый в скважине посредством спускоподъемного устройства и подключенный к ресиверам со сжатым воздухом и блоку управления и синхронизации, выполненному на базе малогабаритного компьютера типа «Notebook», подключенного к радиоканалу связи.

Вторая модификация комплекса отличается тем, что в качестве транспортного средства в летний период используется малогабаритный автомобиль, в кузове которого расположен модуль воздействия упругими волнами, а в зимнее время транспортным средством является снегоход типа «Буран», причем модуль воздействия размещен на прицепной буксируемой платформе, выполненной в виде саней.

Н.В. Вадиков и др.
353461, Краснодарский край, г. Геленджик-1, а/я 42, С.И. Котяшкину


***
Admin-uzzerAdmin-uzzerСуперадмин
Опубликовано 4 месяца назад
Многослойное кровельное покрытие - 23169

uzzer.ru/25/13-12-2025-rtduyrd-1eee-k3.jpg


Эта кровельная гидроизоляция включает в себя композицию из полимерной мембраны и подслоя. От известных отличается тем, что подслой выполнен моноструктурным и из рулонного материала, например битумно-полимерного.

С.С. Ковалев
614600, г. Пермь, ул. Ленина, 66, корп. 2, комн. 635, В.Ф. Гилину


***
Admin-uzzerAdmin-uzzerСуперадмин
Опубликовано 4 месяца назад
Преобразователь поступательного движения во вращательное - 23184

uzzer.ru/25/13-12-2025-rtduyrd-1eee-k5.jpg


Патентуется преобразователь поступательного движения во вращательное, содержащий винт в виде цилиндрического вала с двумя диаметрально расположенными винтовыми лысками и гайку в виде корпуса с установленными в нем роликами, взаимодействующими с лысками винта.

От известных решений новая полезная модель отличается тем, что внутренняя поверхность корпуса выполнена в форме цилиндра, сопряженного с цилиндрическими поверхностями винта, ролики расположены в средней части корпуса гайки, а опоры роликов - в эксцентриковых втулках, установленных на корпусе.

М.М. Грибов
Государственное конструкторское бюро аппаратно-программных систем «Связь» Всероссийского НИИ «Градиент».
344010, г. Ростов-на-Дону, пр. Соколова, 96, ГКБ «Связь», зам. директора А.А. Олейникову

***
Admin-uzzerAdmin-uzzerСуперадмин
Опубликовано 4 месяца назад
Центробежный насос - 23182

uzzer.ru/25/13-12-2025-rtduyrd-1eee-k6.jpg


Известен центробежный насос, содержащий нагнетательную ступень, включающую рабочее колесо, установленное на приводном валу, и бустерную ступень, включающую установленные на отдельном валу предвключенное колесо и турбинное колесо, выполненное центростремительным, выход которого расположен вдоль вала бустерной ступени. Новая полезная модель отличается тем, что нагнетательная ступень содержит как минимум два рабочих колеса и соединена с бустерной ступенью внутренней переводной полостью насоса.

Х.М. Махянов и др.
Общество с ограниченной ответственностью «Завод по ремонту тепломеханического оборудования».
423810, г. Набережные Челны, а/я 29, ООО «ЗРТО»


***
Admin-uzzerAdmin-uzzerСуперадмин
Опубликовано 3 месяца назад
Методом «Холодного пара» точно и быстро определит содержание ртути в жидких образцах анализатор «Ртуть-101», созданный в ЦНИИТЭИ приборостроения (125877, Москва, Чапаевский пер., д. 14). Действие прибора основано на абсорбции — свойстве атомов элементов поглощать световое излучение только определенной для данного элемента длины волны. В пробу с помощью специального дозатора заливается раствор восстановителя ртути.

Компрессор прокачивает воздух через фильтр в реактор, в котором проба интенсивно перемешивается с восстановителем. Выделенные пары ртути, очищаясь от паров соляной кислоты и влаги, поступают в кювету, которая просвечивается излучением от источника света.

*
Admin-uzzerAdmin-uzzerСуперадмин
Опубликовано 3 месяца назад
Повысит надежность работы мостовых кранов, сократит выход из строя крановых двигателей и снизит затраты на их ремонт оригинальное устройство для защиты асинхронных двигателей от перегрева УАТЗ-2, разработанное Донецким политехническим институтом. Время охлаждения и нагрева учитывается в схеме аппарата электрической цепью с сопротивлением, которое включается только при работающем двигателе.

Годовой экономический эффект от внедрения 5 400 шт. устройств — 2 млн. рублей в год (340066, г. Донецк, ул. Артема, 58).

*
Admin-uzzerAdmin-uzzerСуперадмин
Опубликовано 3 месяца назад
Удобен в работе электрододержатель, созданный Южным отделением института «Энергосетьпроект». Конструкция новинки позволяет фиксировать электрод под различным углом к оси электродержателя. Для этого ослабляют фиксирующую гайку, поворачивают двухрожковую губку вокруг оси на требуемый угол и закрепляют это положение губки гайкой (344071, г. Ростов- на-Дону, ул. Литвинова, 4.).

uzzer.ru/infusions/forum/attachments/05-01-2026-grdhtrdrtu-d3.jpg
Последнее изменение: Admin-uzzer в 05-01-2026 20:04, 3 месяца назад
Admin-uzzer прикреплено изображение:
05-01-2026-grdhtrdrtu-d3.jpg
Admin-uzzerAdmin-uzzerСуперадмин
Опубликовано 3 месяца назад
Специальное оборудование для обработки полированного стекла, созданное Всесоюзным научно-исследовательским и проектно-конструкторским институтом стекольного машиностроения, найдет широкое применение в мебельной промышленности. Так, конвейер фацетирования КФ-8 обрабатывает листы длиной от 400 до 1 500 мм и шириной от 200 до 600 мм, причем можно обрабатывать фацет шириной от 4 до 8 мм с углом от 17 до 30 градусов. Конвейер одновременно обрабатывает листы различных размеров, что выгодно отличает его от оборудования западных фирм, требующего подстройки инструмента под каждый размер листа.

Производительность конвейера — 200 м/ч. Кромки зеркальных стекол прямоугольной формы обрабатывают на линии ЛОК-6. В линии имеется восемь шлифовальных станков с алмазным инструментом. Исходный размер листов — от 200 x 200 до 1 200 х 1 200 мм, толщина 3,5— 6 мм.

Производительность ЛОК-6 в зависимости от толщины и качества стекла составляет 56—348 погонных м/ч (113152, Москва, Загородное шоссе, 5).

***
Admin-uzzerAdmin-uzzerСуперадмин
Опубликовано 3 месяца назад
В дождевальных установках и в теплообменниках можно применить фасонные и оребренные трубы из алюминиевого сплава АД31. В первых они позволяют орошать углы полей, а во вторых — на треть сокращают габариты и в три-четыре раза — вес аппаратов за счет замены дефицитной меди алюминием.

При изготовлении труб на Куйбышевском металлургическом заводе им. В. И. Ленина применяют оригинальную технологию, защищенную тремя авторскими свидетельствами. Методом горячего прессования отдельно делают сердечник и оболочку, которые затем соединяют холодным волочением.

Трубы диаметром от 25 мм (они особенно сложны в изготовлении обычными способами) до 200 мм могут быть как с наружными ребрами, так и с внутренними, или и с теми и другими одновременно. Внутренние ребра, изготавливаемые с помощью прошивной иглы и фигурной матрицы, значительно повышают интенсивность теплообмена (443000, Куйбышев).

*
TOLIKTOLIKУчастник
Опубликовано 2 месяца назад
Устройство для дозирования вязких материалов

Предлагается для внедрения на производство: Устройство для дозирования вязких материалов, включающее резервуар материала, связанный с ним дозирующий цилиндр с пневмоприводом поршня, включающим пневмоцилиндр, штуцер выхода дозируемого материала, систему подачи воздуха в пневмоцилиндр и трехходовой кран, связанный с системой подачи воздуха и с атмосферой, отличающееся тем, что шток поршня пневмоцилиндра расположен параллельно штоку поршня дозирующего цилиндра и жестко с ним связан; устройство содержит второй трехходовой кран, связанный с системой подачи воздуха и с атмосферой, причем первый трехходовой кран связан с верхними полостями дозирующего цилиндра и пневмоцилиндра, а второй трехходовой кран связан с нижней полостью пневмоцилиндра; устройство содержит далее третий трехходовой кран, связанный с резервуаром, нижней полостью дозирующего цилиндра и штуцером выхода дозируемого материала, и штоки всех трехходовых кранов связаны между собой средством для обеспечения их синхронного поворота.

uzzer.ru/infusions/forum/attachments/25-02-2026-oopppsss-h8.gif


Исаев Олег Николаевич
ООО "Техинтел"
Адрес для переписки:
606016, Нижегородская обл.,
г. Дзержинск, а/я 31.
Л. Н. Альтшулер


***
Последнее изменение: TOLIK в 25-02-2026 14:47, 2 месяца назад
TOLIK прикреплено изображение:
25-02-2026-oopppsss-h8.gif
TOLIKTOLIKУчастник
Опубликовано 2 месяца назад
Сигнализатор уровня жидкости

uzzer.ru/infusions/forum/attachments/25-02-2026-oopppsss-h9.gif


Предлагается устройство для внедрения: Сигнализатор уровня жидкости, содержащий термистор, скрепленный с корпусом, внутри которого размещена печатная плата, в верхней части установлена электрический разъем, а в нижней - средства крепления к емкости с жидкостью, отличающийся тем, что корпус выполнен разъемным в виде шестигранной крышки шестигранного основания, а термистор укреплен в резьбовом хвостовике шестигранного основания, снабженного упорной втулкой.

Стоянов Григорий Анатольевич,
Долгов Сергей Дмитриевич
ЗАО "Информтехтранс"


***
Последнее изменение: TOLIK в 25-02-2026 14:49, 2 месяца назад
TOLIK прикреплено изображение:
25-02-2026-oopppsss-h9.gif
TOLIKTOLIKУчастник
Опубликовано 2 месяца назад
Выключатель автоматический быстродействующий

Предлагается к освоению - Выключатель автоматический быстродействующий, содержащий подвижный контакт, неподвижный контакт, приводную тягу, пружину контактного нажатия, соединенную с приводной тягой через ограничители и качающуюся кулису, электромагнит свободного расцепления с магнитопроводом, якорем и упором свободного расцепления, пружину отключения, концевую опору, главный электромагнит, включающий в себя магнитопровод, постоянный магнит, главный якорь, катушку управления, рычаг, соединяющий пружину отключения с главным якорем и качающейся кулисой, устройство ограничения магнитного потока в магнитопроводе главного электромагнита, отличающийся тем, что ось вращения подвижного контакта проходит через центр тяжести подвижного контакта, а приводная тяга соединена одним концом с подвижным контактом, а вторым концом закреплена в концевой опоре, позволяющей тяге выполнять прямолинейное движение.

uzzer.ru/infusions/forum/attachments/25-02-2026-oopppsss-h10.gif


Мурадов Эльхан Шахбаба оглы,
Марценюк Сергей Игоревич
ООО "Технос"
Адрес для переписки: 620017, г.
Екатеринбург, а/я 696. ООО "Технос"


***
Последнее изменение: TOLIK в 25-02-2026 16:51, 2 месяца назад
TOLIK прикреплено изображение:
25-02-2026-oopppsss-h10.gif
TOLIKTOLIKУчастник
Опубликовано 2 месяца назад
Магнитный буфер выключателя

Предлагается к освоению и внедрению на производстве: Магнитный буфер выключателя, содержащий основание, на котором размещен подвижный элемент с осью, неподвижный элемент, выполненный из корпуса с регулировочной пружиной, и ограничитель хода подвижного элемента, отличающийся тем, что на подвижном и неподвижном элементах закреплено, по крайней мере, по одному постоянному магниту из условия обеспечения усилий, ограничивающих вращательное движение подвижного элемента вокруг указанной оси в сторону неподвижного элемента.

uzzer.ru/infusions/forum/attachments/25-02-2026-oopppsss-h11.gif


Мурадов Эльхан Шахбаба оглы,
Шабанов Олег Салаватович,
Ваганов Александр Вячеславович
ООО "Технос"
Адрес для переписки: 620017, г. Екатеринбург, а/я 696. ООО "Технос"


***
Последнее изменение: TOLIK в 25-02-2026 16:53, 2 месяца назад
TOLIK прикреплено изображение:
25-02-2026-oopppsss-h11.gif
TOLIKTOLIKУчастник
Опубликовано 2 месяца назад
Выключатель автоматический

Автоматический выключатель, включающий корпус с крышкой, механизм свободного расцепления с рейкой и скобой, имеющей зацепление с рычагом механизма свободного расцепления, контактную систему с неподвижными и подвижными контактами и ду го гасительными камерами, тепловой и электромагнитный расцепители в каждом полюсе, соединенные электрически, и соединение электромагнитного расцепителя с подвижным контактом контактной системы гибким токопроводом, отличающийся тем, что зацепление скобы с рычагом механизма свободного расцепление осуществляется через упор, неподвижно зафиксированный в скобе, подпружиненной пружиной, исключающей самопроизвольное зацепление скобы с рейкой механизма свободного расцепления.

uzzer.ru/infusions/forum/attachments/25-02-2026-oopppsss-h12.gif


Сараев Николай Петрович,
Рудаков Вячеслав Георгиевич,
Политов Николай Николаевич
Адрес для переписки: Курск, ул. Луначарского, 8. ОАО "Электроаппарат"


***
Последнее изменение: TOLIK в 25-02-2026 17:10, 2 месяца назад
TOLIK прикреплено изображение:
25-02-2026-oopppsss-h12.gif
TOLIKTOLIKУчастник
Опубликовано 2 месяца назад
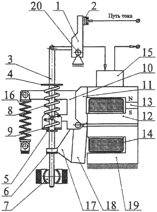
Комбинированный привод выключателя постоянного тока

Предлагаем для освоения и внедрения: Комбинированный привод выключателя постоянного тока, содержащий магнитопровод с катушкой управления, главный якорь и якорь свободного расцепления, отключающую пружину и пружину свободного расцепления, отличающийся тем, что на главном якоре неподвижно закреплен медный короткозамкнутый виток, соосно с которым в магнитопроводе установлена дополнительная катушка.

uzzer.ru/infusions/forum/attachments/25-02-2026-oopppsss-h13.gif


Мурадов Эльхан Шахбаба оглы
Адрес для переписки: 620017, г. Екатеринбург, а/я 696. ООО "Технос"


***
Последнее изменение: TOLIK в 25-02-2026 18:21, 2 месяца назад
TOLIK прикреплено изображение:
25-02-2026-oopppsss-h13.gif
Вы можете посмотреть все обсуждения на этом форуме.
Вы не можете начинать новые темы в этом форуме.
Вы не можете отвечать в этой теме.
Вы не можете начать опрос в этом форуме.
Вы не можете делать вложения в сообщения в этом форуме.
Вы можете загружать вложения в этому форуме.
Участвующие в обсуждении пользователи: Admin-uzzer, TOLIK
Вход на сайт
Не зарегистрированы? Нажмите для регистрации.
Забыли пароль?
Пользователей на сайте
Гостей на сайте: 6
Участников на сайте: 0

Всего зарегистрировано: 194
Новый участник: Brenddig






Яндекс.Метрика

*